AD9135数据手册和产品信息

发布时间: 2024-11-11 09:19:03
来源: analog.com
AD9135/AD9136 Typical Application Diagrams
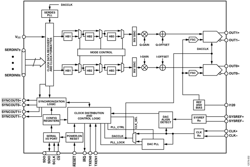
AD9135/AD9136 Functional Block Diagram
AD9135/AD9136 Pin Configuration
AD9135/AD9136 Pin Configuration
.
特性
  • 支持的输入数据速率大于2 GSPS
  • 专有低杂散与失真设计
    SFDR = 82 dBc(直流中频,−9 dBFS)
    灵活的8通道JESD204B接口
  • 多芯片同步
    固定延迟
    数据发生器延迟补偿
  • 可选1x、2x、4x、8x插值滤波器
    低功耗架构

  • 发射使能功能可进一步省电,实现输出状态的瞬时控制
  • 高性能、低噪声锁相环(PLL)时钟倍频器
  • 数字反sinc滤波器
  • 低功耗: 1.42 W(1.6 GSPS,全部工作条件)
  • 88引脚LFCSP(带裸露焊盘)

.
AD9135是一款双通道、11位、高动态范围数模转换器(DAC),提供2800 MSPS最高采样速率,可以在极宽的带宽内产生多载波。 DAC输出经过优化,可以与ADI公司的ADRF6720和ADRF670x模拟正交调制器(AQM)无缝接口。可选三线式或四线式串行端口接口(SPI)允许对许多内部参数进行编程和回读。 满量程输出电流可以在13.9 mA至27.0 mA典型范围内进行编程。 AD9135提供88引脚LFCSP封装。

产品特色

  1. 高于2 GHz的超宽复杂信号带宽,支持新兴的宽带和多频带无线应用。
  2. 先进的低杂散与失真设计技术,从基带到高中频的宽带信号可以实现高质量合成。
  3. JESD204B子类1支持简化软件和硬件设计中的多芯片同步。
  4. 对于具有串行器/解串器(SERDES) JESD204B 8通道接口的数据接口宽度,引脚更少。
  5. 可编程发射使能功能实现了功耗与唤醒时间之间的设计平衡。
  6. 小型封装,尺寸为12 mm × 12 mm。
应用
  • 无线通信
    3G/4G W-CDMA基站
    宽带中继器
    软件定义无线电
  • 宽带通信
    点对点
    本地多点分配服务(LMDS),以及
    多通道多点分配服务(MMDS)
  • 发射分集、多路输入/多路输出(MIMO)
  • 仪器仪表
  • 自动测试设备
. . .

ADI 始终高度重视提供符合最高质量和可靠性水平的产品。我们通过将质量和可靠性检查纳入产品和工艺设计的各个范围以及制造过程来实现这一目标。出货产品的“零缺陷”始终是我们的目标。查看我们的 质量和可靠性计划和认证 以了解更多信息。

产品型号 引脚/封装图-中文版 文档 CAD 符号,脚注和 3D模型
AD9135BCPAZ 88-Lead LFCSP (12mm x 12mm w/ EP) external-link
  • HTML
  • Material Declaration external-link
  • HTML
  • Reliablity Data external-link
AD9135BCPAZRL 88-Lead LFCSP (12mm x 12mm w/ EP) external-link
  • HTML
  • Material Declaration external-link
  • HTML
  • Reliablity Data external-link
AD9135BCPZ 88-Lead LFCSP (12mm x 12mm w/ EP) external-link
  • HTML
  • Material Declaration external-link
  • HTML
  • Reliablity Data external-link
AD9135BCPZRL 88-Lead LFCSP (12mm x 12mm w/ EP) external-link
  • HTML
  • Material Declaration external-link
  • HTML
  • Reliablity Data external-link
.

根据型号筛选

reset

重置过滤器

产品型号

产品生命周期

PCN

6月 26, 2023

- 23_0025

Package Outline Drawing and Data Sheet Revision for Select LFCSP Products in Amkor

AD9135BCPAZ

量产

AD9135BCPAZRL

量产

AD9135BCPZ

量产

AD9135BCPZRL

量产

8月 31, 2016

- 16_0160

AD9135/AD9136 Die Revision and Data Sheet Update

AD9135BCPAZ

量产

AD9135BCPAZRL

量产

AD9135BCPZ

量产

AD9135BCPZRL

量产

4月 2, 2015

- 15_0057

AD9135/AD9136 Die Revision and Data Sheet Update

根据型号筛选

reset

重置过滤器

产品型号

产品生命周期

PCN

6月 26, 2023

- 23_0025

arrow down

Package Outline Drawing and Data Sheet Revision for Select LFCSP Products in Amkor

AD9135BCPAZ

量产

AD9135BCPAZRL

量产

AD9135BCPZ

量产

AD9135BCPZRL

量产

8月 31, 2016

- 16_0160

arrow down

AD9135/AD9136 Die Revision and Data Sheet Update

AD9135BCPAZ

量产

AD9135BCPAZRL

量产

AD9135BCPZ

量产

AD9135BCPZRL

量产

4月 2, 2015

- 15_0057

arrow down

AD9135/AD9136 Die Revision and Data Sheet Update

.

器件驱动器

正在寻找评估软件?您可以在这里找到

.
部分模型 产品周期 描述

时钟产生器件 2

最后购买期限

具有 11 个输出并支持 JESD204B / JESD204C 协议的超低抖动、4.5GHz PLL

推荐新设计使用

带JESD204B接口的高性能、3.2 GHz、14路输出抖动衰减器

时钟分配器件 3

最后购买期限

超低抖动 7.5GHz 11 输出扇出缓冲器系列

最后购买期限

具有 11 个输出并支持 JESD204B/JESD204C 协议的超低抖动、4.5GHz 时钟分配器

推荐新设计使用

高性能、3.2 GHz、14输出扇出缓冲器

.
JESD204x Frame Mapping Table Generator
Info:False

The JESD204x Frame Mapping Table Generator tool consists of two Windows executables that will allow the user to input any valid combination of JESD204x parameters (L, M, F, S, NP) in order to output a .csv file that illustrates the frame mapping of the JESD204x mode in table format. There is an executable that allows the user to input a single JESD204x mode and another, that allows the user to input the parameters for multiple JESD204x modes in a specified .csv format in order to output a .csv file that illustrates the frame mapping of each of the JESD204x modes that were input into separate tables.

JESD204接口框架
Info:False

Integrated JESD204 software framework for rapid system-level development and optimization

.

评估套件 3

reference details image

ADS8-V1EBZ

ADS8-V1 评估板

reference details image

EVAL-AD9135

AD9135 评估板

reference details image

ADS7-V2EBZ

基于FPGA的数据采集套件

.

工具及仿真模型 3

LTspice ® 是一款强大高效的免费仿真软件、原理图采集和波形观测器,为改善模拟电路的仿真提供增强功能和模型。

文章来源于: analog.com 原文链接

本站所有转载文章系出于传递更多信息之目的,且明确注明来源,不希望被转载的媒体或个人可与我们联系,我们将立即进行删除处理。