工程师的推荐,往往是来自一线的心声,希望以下经验能够帮助广大网友。
坛友:qwqwqw2088
BMS芯片,并非特指一种芯片,而是AFE(电池采样芯片)、MCU(微控制处理单元)、ADC(模拟数字转换器)、数字隔离器等产品的统称。按以上说法,把这几个功能包括软件系统集成一起的国产厂商并不多,但有几家电池管理芯片厂,还是很不错的。
比如杰华特的多电池组监控和保护IC、拓尔微BMS保护芯片,芯智汇库仑计的电池管理芯片等。其实现在做电池管理的,很多是从做其他芯片转行做顺带做一些电池管理方面的芯片。
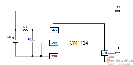
另外再推荐一款国产的单节锂电池保护IC——深圳市创芯微CM1124,理由是和众多国产称之为电池管理IC的芯片一样,价格亲民,几毛一片,不做大的电池系统,很耐用。
CM1124有高精度电压检测电路和延迟电路,通过检测电池的电压、电流,实现对电池的过充电、过放电、过电流等保护。适用于单节锂离子/锂聚合物可充电电池的保护电路。满电压精度可以到, 正负25mV。放电过流精度可以到正负150mA,电路设计简单,DFN封装小,散热性能相对好些,可以做带电池小产品,满足现在电子产品小型化需要。

坛友:chejia12
我使用过智融的sw3516芯片,这个芯片支持多种手机快充协议,最高支持100w
根据Datasheet介绍,SW3516是一款高集成度的快充车充芯片,支持A+C 口任意口快充输出,支持双口独立限流。其集成了5A高效率同步降压变换器,支持PPS/PD/QC/AFC/FCP/SCP/PE/SFCP/低压直充等多种快充协议,CC/CV 模式,以及双口管理逻辑。外围只需少量的器件,即可组成完整的高性能多快充协议车充解决方案。适用于车充、适配器、插排。

坛友:wangerxian
使用过一款锂电池充电芯片南京微盟【ME4069】,单芯片的,适用于编写设备,价格也便宜,只要1米+,目前产品测试稳定性还不错。
根据Datasheet,ME4069是一款具有恒流恒压充电模式的锂电池充电管理芯片。可以对单节(4.2V)锂电池进行快速高效地充电。其采用电流模式 PWM 降压型开关控制结构,为锂电池快速充电提供了微型、简单且高效的解决方案。
ME4069内置防倒灌功能,所以实际应用不需要输入端接二极管防倒灌。大大降低了系统成本。芯片内置过压保护功能,当芯片的VIN电压超过6V之后,芯片关闭,此时芯片的VIN端可耐压 6V。
ME4069由外部Sense电阻设定出高精度的充电电流,内部由分压电阻和精准的参考电压将电池的浮充电压设定在4.2V同时具有高达±1%的精度。当输入电源去掉后,芯片会自动进入低电流休眠模式,电池的漏电流低至1μA。当充电周期结束后,如果单节电池电压降到4.1V后,芯片将自动重新对电池进行充电。适用于充电设备、便携式笔记本电脑、手持设备。

坛友:luck_gfb
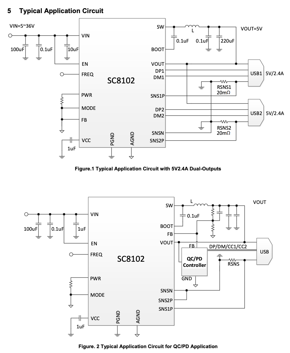
上海南芯半导体的SC8102做车载充电器很适合,专为手机充电设计,6~30V 输入;5V 固定电压输出,最大 6A,最高效率可达93.5%以上,集成MOS,外面加一些电容电阻及一个电感就可以了,调试非常方便,我司已经批量使用。
根据Datasheet,SC8102是一个同步双输出端口降压转换器,输入电压从4.6V到36V宽。SC8102调节输出电压在一个固定的5V或通过设置分压器电阻自定义电压,同时提供高精度的输出电流限制。如果两个输出通道中的任何一个达到设定的电流限制,转换器将进入恒流 (CC) 模式。总输出功率可以通过一个电阻器来编程,使得恒功率 (CP) 控制变得很容易。
SC8102对PWM和PFM采用固定线路降补偿、可编程频率整定和工作方式选择,外部分量最小,可实现用户不同应用的最大功能。SC8102还支持完整的保护,包括欠压保护、过压保护短路电流保护和自动重启、过温保护。SC8102采用32引脚QFN 5x5封装。

坛友:木犯001号
圣邦微的SGM4056,低功耗很好用。具有充电指示功能,当充电器被禁用或输入浮动时,电池漏电流<1μA。

想了解更多?欢迎访问“最能打的中国芯”专题。该专题针对模拟与电源、数字、应用三大角度,是综合工程师实际使用体验、业界专家经验以及编辑观点,从细分类别中遴选出“最能打”的产品。
第一期榜单涵盖碳化硅(SiC)、放大器与比较器、LDO、DC/DC、传感器、数据转换、充电管理、接口电路、蓝牙/Wi-Fi芯片、MCU(RISC-V架构)、MCU(Arm架构)、车规芯片、仪器仪表13个子类芯片。具体榜单如下:



完整榜单信息来源于:http://www.eeworld.com.cn/China_chips/
只要你有想法,任何人都可以随时“踢榜”,把自己喜欢的芯片放到榜单内。查看完整榜单请访问:http://www.eeworld.com.cn/China_chips/ 或扫码下方二维码。
