在几乎任何一个电路设计中,都可能会使用LDO(低压差线性稳压器)这个器件。
虽然LDO不是什么高性能的IC,但LDO芯片市场竞争异常激烈。最近几年,诞生了越来越多的精品国产LDO,让人看得眼花缭乱。
业内人士曾经说过,评估一款高性能LDO芯片主要有3个标准:一是电源对噪声的抑制比,二是LDO自身输出噪声及对负载变化的瞬态相应能力,三是在高精密传感器应用中,温度漂移是否足够小。
不过,纸面参数是一回事,实际使用是另一回事,所以我们想要邀请工程师谈一谈,实际使用过的哪些LDO芯片很能打。接下来,让我们来看看,具体有哪些LDO芯片。
一致好评的LDO
力芯微电子ET631XX受到编辑和工程师的一致推荐,该产品专为需要超低静态电流的便携式电池供电应用而设计。0.6uA 型超低功耗可确保较长的电池寿命。动态瞬态升压功能可改善无线通信应用的器件瞬态响应。该器件采用小型1x1mm DFN4或SOT23-5封装。
工程师们推荐的理由包括以下几点:1. 低压降:ET631的内部电阻小,输入和输出电压差低,可以最大限度地减少输送能量的损耗,从而提高转换效率,同时也可以降低芯片温度和功耗。2. 高PSRR:ET631的高PSRR(功率供电抑制比)可以有效地抑制电源中的杂波和噪声,从而提高系统的性能和信号质量。3. 低噪音:ET631采用“超低噪声”技术,能够控制输出电压的噪声并降低电源源波噪声,提高系统的信噪比和动态性能。4. 精度高:ET631的输出电压精度高,误差小于1%,并且独特的调节电路设计,使其具有良好的线性和温漂性能。5. 丰富的保护功能:ET631内置有热关断、短路保护和欠压保护等多种保护电路,有效保护芯片的安全和稳定性。立芯微的低压差稳压器ET631具有低压降、高PSRR、低噪音、精度高和丰富的保护功能等优势,广泛应用于手机、平板电脑和笔记本电脑等电源管理系统中,为电子设备提供稳定、高性能的电源供应,有利于提高系统的效率和可靠性。
工程师认为,无锡力芯微LDO等芯片都是给三星供的,出货量巨大,经历过市场的考验,值得推荐。该产品输入电压2.2-5,5V,输出电压1.1-3.6V(0.05V STEPS)。
一位工程师则强调,“ET631xx确实好用,输入范围宽,输出电压精度高,可调范围精度高。静态功耗低,很适用于便携设备。”

高效、精确的LDO
矽力杰半导体的SY6345AAC备受编辑和业界赞誉,它是一款高效、精确的LDO,专为高输入电压和超低静态电流应用程序。SY6345提供+/-2%的可调输出电压精度和非常低的压降(300mA时为300mV)。其他功能包括操作稳定性,低ESR陶瓷或钽电容器,由于优化的内部补偿,过电流保护和热停堆。SY6345有SOT23-5包装。
工程师们推荐的主要理由是SY6345是一种高效、精确的LDO,专为高输入电压和超低静态电流应用而设计。以前在低成本LED电源中已经大批量使用,减小无高压大电容方案中输出电流纹波很有效果。
很多工程师都认为,矽力杰是最近几年国产突起市场质量保证主力军,价格美丽,SY6345与DC-DC等都用过,市场交付率及时,值得使用。
矽力杰SY6345是一款高效且精准的LDO(低压差线性稳压器),它集高精度、宽电压输入范围、低静态电流和低纹波等特性于一身,为各种应用提供了稳定可靠的电源解决方案。其卓越的性能和稳定性,使得SY6345在市场上具有广泛的适用性和竞争力。

还有一些工程师表示,除了矽力杰的SY6345,也批量使用过SY8120,非常稳定可靠。
超低噪声、低压差的LDO
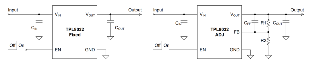
思瑞浦微电子TPL8032也获得编辑和工程师的一致认可,该产品是300 mA高PSRR、超低噪声、低压差线性稳压器,具有20伏宽输入电压范围。TPL8032系列支持两个电压输出范围,可调输出电压范围,从1.22 V至18 V、带外部电阻分压器, 固定输出电压从1.5 V到5 V。TPL8032系列具有2.2μF至100μF陶瓷输出电容器。
工程师们推荐的理由是TPL8032具备出色的噪声抑制能力,能够在各种应用场合提供稳定的输出电压。同时,其低压差设计使得在输入电压较低时也能保持良好的工作效率。
此外,TPL8032封装比较小,但是输出电流又比较大,非常适合电路板空间比较受限的产品,芯片输出电压1.22V~18V可调,灵活性很高,瞬态响应好,比较适合给IC供电,同时芯片自身集成了过电流保护,输出短路保护,过温保护,大大增强了芯片的鲁棒性,让产品的可靠性也得到了提高,给外部负载供电时,避免了输出短路导致的IC损坏。
一位工程师强调,“TPL8032,噪声抑制做的非常好,且输入电压和输出电压范围非常宽,非常适合噪声要求高的电源设计,工业级的工作温度可以适应多种恶劣条件,值得推荐。”

简单,就是美
蓝箭电子BRCO7533T是工程师中比较热门的一颗芯片。根据工程师们的推荐,这款芯片简单,而且输入电压范围宽,所以备受大家青睐。最重要的嘛,当然是其价格,大概0.24~0.38元/个。
BRCO7533T主要特性为低功耗,低压差,温度漂移系数小,高输入电压可达30V,静态电流2.5μA,输出电压精度:±3%。无卤产品。能够用于各类电源设备,通信设备,音频和视频设备。

便宜好用,就完了
便宜好用谁能不爱,有三款产品被工程师大力推荐。
第一个是立锜科技的RT9013-33GB,其最大输入电压 5.5V,输出电压3.3V,最大输出电流 500mA,电源纹波抑制比(PSRR)为50dB@(10kHz),压差400mV@(500mA),待机电流 50uA,工作温度为-40℃~+85℃。价格方面,在0.5~1元/个。
官方介绍显示,RT9013是一款高性能、500mA LDO,提供极高的电源抑制比和超低压降。理想的便携式射频和无线应用与苛刻的性能和空间要求。RT9013静态电流低至25uA,进一步延长电池使用寿命。RT9013还可与低ESR陶瓷电容器配合使用,从而减少了电源应用所需的电路板空间,这在手持式无线设备中至关重要。RT9013在关机模式下的典型功耗为0.7uA,并且具有小于40us的快速开启时间。其他功能还包括超低压差,高输出精度,电流限制保护,和高纹波抑制比。可提供SC-82、SOT-23-5、SC-70-5和WDFN-6L 2x2封装。

第二个是特瑞士的XC6206P332MR,其最大输入电压6V,输出电压3.3V,最大输出电流 200mA,压差 680mV@(100mA)。价格方面大概0.37~0.64元/个。
官方介绍显示,XC6206系列是高精度,低功耗,3端子,正电压稳压器制造采用CMOS和激光微调技术。该系列提供了显着小的压降的大电流。XC6206包括一个限流电路,驱动晶体管,一个精密的参考电压和误差校正电路。它与低ESR陶瓷电容器兼容。电流限制器的折返电路起短路作用。保护以及输出引脚的输出电流限制器。输出电压是由激光微调技术内部。它可在1.2V至5.0 V的范围内以0.1V为增量进行选择。可提供SOT-23、SOT-89、TO-92和USP-6B封装。

第三个是友台半导体的HT7133S,其最大输入电压30V,输出电压3.3V,最大输出电流 100mA,待机电流3uA,工作温度-20℃~+70℃。价格方面大概0.13~0.26元/个。
官方介绍,71XX系列是一个低功耗的CMOS工艺制造的高压稳压器。最大输入电压为30V输出电压范围为1.5V~12.0V。有高精度输出电压、极低的电源电流、极低的压降等特点。

这家厂商备受青睐
很多工程师将目光放在一家厂商上,就是思旺电子。其中三款产品被广大网友所推荐。
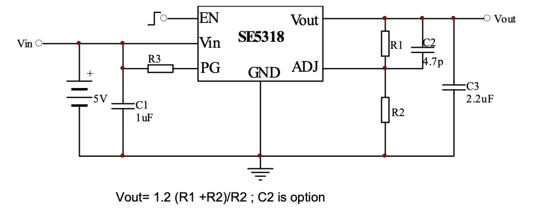
第一是SE5318,它是一个积极的、线性稳压器具有低静态电流(35uA典型值)与低压差电压,使其成为电池供电应用的理想选择。节省空间的SOT-26封装对于“口袋”和“手持”应用很有吸引力。具有过温保护(OTP),过流保护(OCP),以防止可能的设备故障,由于不当或最坏的情况下的应用,同时具备一个检测器。其PSRR在100Hz时为60dB,在1kHz时为35dB,输出电压噪声为30uVrms。

第二个是SE317M,它是一个3端可调正电压稳压器,在超过1.25V至32V的输出电压范围超过500mA的供应能力。非常易于使用,只需要两个外部电阻设置输出电压。其最大输入电压15V,输出电压1.5V,电源纹波抑制比(PSRR)65dB,待机电流2mA。

第三个是SE1084,它是一个低压差正可调或固定模式稳压器,最低5.0A的输出电流能力。该产品是专门为提供良好的低电压集成电路应用,如高速总线终端和低电流3.3V逻辑电源的稳压电源。SE1084也非常适合其他应用,如VGA卡。SE 1084保证满负载电流下的压差低于1.5V,因此非常适合在4.8V至12V输入电源下提供1.25V至3.3V的良好调节输出。

想了解更多?欢迎访问“最能打的中国芯”专题。该专题针对模拟与电源、数字、应用三大角度,是综合工程师实际使用体验、业界专家经验以及编辑观点,从细分类别中遴选出“最能打”的产品。
目前,专题涵盖碳化硅(SiC)、放大器与比较器、LDO、DC/DC、传感器、数据转换、充电管理、接口电路、蓝牙/Wi-Fi芯片、MCU(RISC-V架构)、MCU(Arm架构)、车规芯片、仪器仪表13个子类芯片。具体榜单如下:


