本文介绍了一种用精密是采用交流接触器、中间继电器、行程开关及脚踏开关等电器来控制剪板机剪切。在生产使用过程中由于剪切频率高(1分钟约30刀),剪板机长期在这种频繁的工作状态下运行,难免经常会出现故障,影响生产效率,加重了维修工作量。
故障主要表现如下几方面;行程开关、脚踏开关、交流接触器及中间继电器等。
针对上述的问题,采用单片机作为控制的核心,用三相交流固态继电器JG-27F/40A380取代交流接触器为电机供电。三相交流固态继电器的特点:光电隔离,单硅反并联输出,具有缺相保护功能,特别适用于频繁起动的工作方式。将限位的行程开关和脚踏开关内的触点开关改为接近开关。接近开关没有任何机械性能,具有寿命长、响应速度快等优点。同时在电机绕组内安装热保护器BW-9700,它作用于电机绕组内温升达到设置的温度值时,热保护器动作,起到保护电机免被烧坏的危险。
电路工作原理
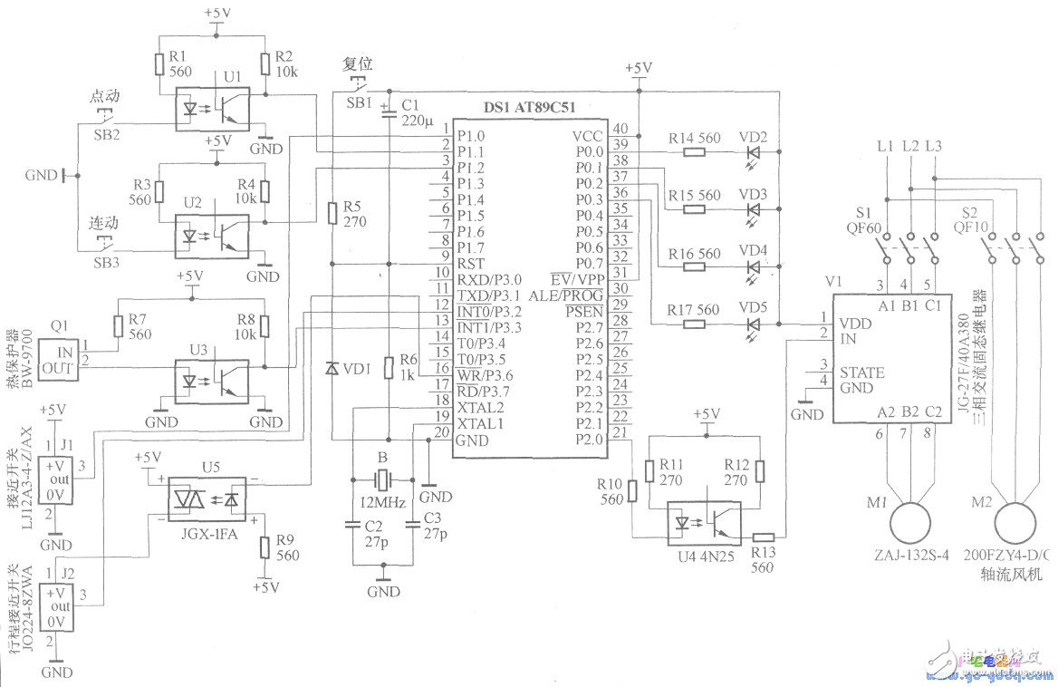
如下图所示,单片机的18、19脚外接晶振。9脚,C1、SB1、R5、VD1,R6组成上电和手动复位电路。

1脚为单动输入端,安装在脚踏内的小型接近开关J1(LJ12A3-4-Z/AX,工作电压5V~30V,NPN输出。),当每踩踏一次,金属片遮挡接近开关,低电平信号直接加到1脚,这时21脚输出低电平使光电耦合器U4导通,高电平加到三相固态继电器V1(JG-27F/40A380)的输入IN端,固态继电器导通,交流制动电机(ZAJ-132S-4)得电运行,连接39脚的单动状态发光二极管VD2亮。循环一周,行程接近开关J2(J0224-8ZWA,工作电压5V~30V,NPN输出。)被金属物遮挡,低电平信号通过12脚输入。于是21脚输出高电平,光电耦合器U4截,三相固态继电器V1也截止,电机失电停止运行,VD2同时熄灭。
2脚为点动输入端,当按住点动按钮SB2电机运行,松开SB2电机立刻停止运转,连接38脚点动状态发光二极管VD3根据SB2的状态亮、熄。
3脚为连动输入端,按一下连动按钮SB3电机运行,当接近开关J2被金属物遮挡电机停一秒,然后反复循环。连接37脚的连动状态发光二极管VD4亮,如果想要电机停止运行只需再次按SB3即可。热保护器Q1(BW-9700,为常开型,温度设置为80℃),当温升达到所设置的温度值,热保护器Q1闭台,光电耦合器U3导通,低电平信号加到13脚,这时单片机立即响应中断,时锁所有输出。同时连接36脚的状态发光二极管VD5闪烁。
调试应用
合上电源,按点动按钮SB2,这时交流制动电机通过传动机构带动凸轮旋转,一步一步地将剪刃调整到上列点位置即可。然后松开凸轮的固定螺丝将凸轮的最高面调整到接近开关动作的有效距离,这时安装在接近开关尾端的状态指示灯亮,再将其固定好再次按点动按钮SB2使凸轮离开接近开关。踩一下脚踏开关,交流制动电机旋转带动传动机构使剪刃从上往下剪,再往上抬。这时凸轮刚好旋转一周,接近开关被遮挡动作,电机停。虽然交流制动电机带有制动功能,但克服不了所有的惯性力,致使接近开关始终不在遮挡的状态。假若剪刃并不在上死点位置可再调整凸轮的位置调整完毕就可以使用了。