在之前的文章中,我们已经深入探讨了InnoMux™-2产品的特点,并对其进行了详细的分析(无DC-DC变换实现多路高精度输出反激电源的诀窍)。此外,我们还探讨了该产品在不同应用场景中的实际应用情况,以便网友更好地理解其适用范围和优势(InnoMux™-2多路高精度输出反激电源的应用案例分析)。在本文中,我们有幸拿到了一块InnoMux™-2的测试板,这使我们有机会亲自对这款产品的各项技术指标进行实际测量和验证。通过这次实测,我们将能够更全面地了解InnoMux™-2的性能表现,并为网友提供更为详尽的第一手测试数据。
DER-714测试板简介
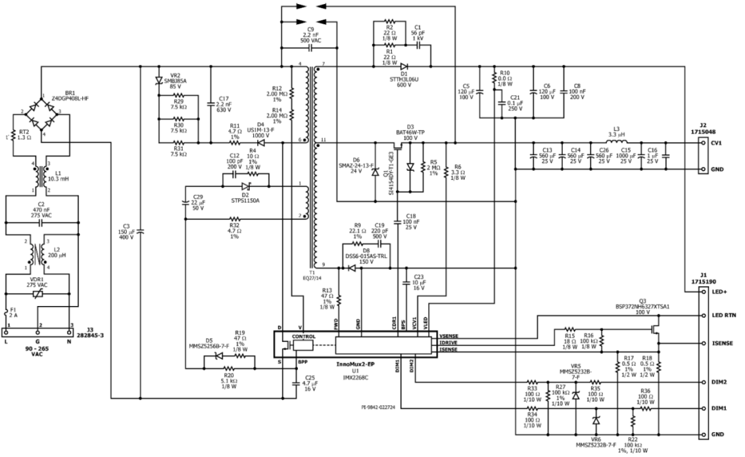
这次拿到的是DER-714测试板,这是一块带有1路恒压和1路恒流输出的测试板,主芯片是InnoMux2-EP IMX2268C。
DER基本信息如下:

实拍图如下。

DER-714测试板正面

DER-714测试板背面
这块测试板支持2路输出:
1、恒压输出,12V,最高2A。
2、恒流输出,380 mA电流,电压范围是60V-75V,典型电压为72V。
这2路输出,刚好覆盖液晶电视的电源设计需求,因此它的典型应用是TV PSU。
电路原理图如下图所示。

DER-714原理图
InnoMux™-2里没有DC-DC变换器,直接从AC输出2路DC电压和电流。因此电路结构比较简单,除了InnoMux™-2之外,主要就是无源器件了。
测试环境
测试板的输入接线比较简单,AC输入范围是90-265V,我们取了4个常见的典型值和极限值。分别是:
1、90V/60Hz
2、110V/60Hz
3、220V/50Hz
4、250V/50Hz
输出包括12V恒压负载和380 mA恒流负载。恒流负载使用LED灯串。
此外LED灯串的输出按文档配置好了PWM调光控制信号。
具体接线方式如下图所示。

DER-714测试接线图
实测环境如下:

高低压输入,不同负载的精度和效率表现
这里对4种AC输入的情况下,空载、仅CV满载、仅CC满载、全满载的输出情况进行了测试,实测结果汇总如下表所示。

作为对比,以下截图是DER文档上记载的效率情况。


首先观察输出精度,全部都在误差允许范围内。
然后观察空载情况,空载功耗非常低,最高空载功耗仅0.095W。按这个功耗计算,通电一年,也仅耗电0.8度左右,有助于电器满足绿色环保的要求。
实测最低效率出现在90V/60Hz输入,全满载输出的情况下,最低效率是85.27%。
最高效率出现在250V/50Hz输入,全满载输出的情况下,最高效率是88.80%。
这个结果比DER文档记载的结果还高了1到2个百分点。可见InnoMux™-2确实可以实现高效率、低空载功耗、高精度多路输出三者并存。
高低压输入,输出纹波表现
这里纹波测试使用DER推荐的示波器接法,如下图所示。

测试结果如下图所示。

最大纹波出现在90V/60Hz输入时的全满载,为90.40mV,与DER文档的结果相差不大。
对应的12张波形图如下图所示。



温度表现
在满载情况下,使用热成像仪记录整板的温度表现。结果如下。


对照RGB图,查找高温器件的位置:

满载最高温度为77.9度,温升约47.9度。这个结果好于DER记载的结果。
最高温度不在主芯片InnoMux™-2 IMX2268C上,而是在SR二极管D8上。本次实验的环境温度为30摄氏度,在环境温度高于标准温度时,温升表现仍然好于预期。
总结
本文通过实测验证了InnoMux™-2恒压恒流输出反激电源的具体性能指标,可以发现InnoMux™-2方案确实具有高效率、低空载功耗、高精度多路输出的特点,且性能指标甚至优于DER文档中的数值。为了进一步探讨InnoMux™-2方案在实际应用中的表现,我们对其进行了较长时间的拷机测试。测试结果显示,该方案在连续工作状态下表现出极佳的稳定性,其温度控制表现尤为出色,即便在高温环境下也能保持较低的温升。这些综合性能使InnoMux™-2成为电源设计领域中一个极具竞争力的解决方案。