干货 | 11种防雷电路大剖析!

发布时间: 2024-11-07 21:13:11
来源: 电路大讲堂

图片

图片



一、交流电源防雷器


图片

(一)单相并联式防雷器

电路一:最简单的电路


图片

说明:

1、优点:电路简单,采用复合对称电路,共模、差模全保护, L、N 可以随便接。


缺点:压敏电阻RV1 短路失效后易引起火灾。最好在每个压敏电阻上串联一个工频保险 丝以防压敏电阻短路起火。如果L、N 线不可能接反,则可省去压敏电阻RV2、RV3,将 放电管G 的上端直接接到N 线上,构成“1+1”电路。


2、压敏电阻的压敏电压值参照下表选取(选压敏电压高一点的更安全、耐用,故障率低,但残压略高);根据通流容量要求选择外形尺寸和封装形式,或采用几个压敏电阻并联(应挑选压敏电压相近的并联,以延长使用寿命和确保安全)。


图片


3、陶瓷气体放电管的通流容量根据要求的通流容量选择,直流击穿电压为470V~600V。当要求的通流容量≤3KA 时,可以用玻璃放电管代替。


4、压敏电阻和气体放电管都必须按冲击10 次以上的降额值计算通流容量(压敏电阻为一次冲击通流容量的三分之一左右,气体放电管为最大通流容量的一半左右)。


电路二:较安全的电路


图片

说明:

1、优点:采用复合对称电路,共模、差模全保护, L、N 可以随便接,正常工作时无漏电流,可延长器件使用寿命,由于陶瓷气体放电管失效模式大多为开路,不易引起火灾。缺点:万一压敏电阻和陶瓷气体放电管都短路失效时还有可能起火。


2、压敏电阻的压敏电压值参照下表选取(选压敏电压高一点的更安全、耐用,故障率低,但残压略高);根据通流容量要求选择外形尺寸和封装形式,或采用几个压敏电阻并联(应挑选压敏电压相近的并联,以延长使用寿命和确保安全)。


图片


3、陶瓷气体放电管的通流容量根据要求的通流容量选择,直流击穿电压为470V~600V。当要求的通流容量≤3KA 时,可以用玻璃放电管代替。


4、压敏电阻和气体放电管都必须按冲击10 次以上的降额值计算通流容量(压敏电阻为一次冲击通流容量的三分之一左右,气体放电管为最大通流容量的一半左右)。


电路三:通用的安全保护电路


图片

说明:

1、优点:采用复合对称电路,共模、差模全保护,L、N 可以随便接,安全,压敏电阻短路失效后能与电路脱离,一般不会引起火灾。


2、压敏电阻的压敏电压值参照下表选取(选压敏电压高一点的更安全、耐用,故障率低,但残压略高);根据通流容量要求选择外形尺寸和封装形式,或采用几个压敏电阻并联(应挑选压敏电压相近的并联,每个压敏电阻都要单独串联温度保险管,以延长使用寿命和确保安全)。


图片


3、温度保险管一般采用130℃~135℃、10A/250V 的,应与压敏电阻有良好的热耦合。最好再串联一个工频保险丝以防工频过电压瞬间击穿压敏电阻起火。


4、陶瓷气体放电管的通流容量根据要求的通流容量选择,直流击穿电压为470V~600V。当要求的通流容量≤3KA 时,可以用玻璃放电管代替。


5、压敏电阻和气体放电管都必须按冲击10 次以上的降额值计算通流容量(压敏电阻为一次冲击通流容量的三分之一左右,气体放电管为最大通流容量的一半左右)。


(二)三相并联式防雷器

电路一:最简单的电路


图片

说明:

1、优点:采用“3+1”电路,电路简单,三相全保护。缺点:压敏电阻短路失效后易引起火灾。最好在每个压敏电阻上串联一个工频保险丝以防压敏电阻短路起火。


2、压敏电阻的压敏电压值参照下表选取(选压敏电压高一点的更安全、耐用,故 障率低,但残压略高);根据通流容量要求选择外形尺寸和封装形式,或采用几个压敏 电阻并联(如图所示为每相两个压敏电阻并联,应挑选压敏电压值相近的并联,以延长使用寿命和确保安全)。


图片


3、陶瓷气体放电管的通流容量根据要求的通流容量选择,直流击穿电压为470V~600V。当要求的通流容量≤3KA 时,可以用玻璃放电管代替。


4、压敏电阻和气体放电管都必须按冲击10 次以上的降额值计算通流容量(压敏电阻为一次冲击通流容量的三分之一左右,气体放电管为最大通流容量的一半左右)。


电路二:较安全的电路


图片

说明:

1、优点:采用“3+1”电路,三相全保护,正常工作时无漏电流,可延长器件使用寿命,由于陶瓷气体放电管失效模式大多为开路,不易引起火灾。缺点:万一压敏电阻和陶瓷气体放电管都短路失效时还有可能引起火灾。


2、压敏电阻的压敏电压值参照下表选取(选压敏电压高一点的更安全、耐用,故障率低,但残压略高);根据通流容量要求选择外形尺寸和封装形式,或采用几个压敏电阻并联(如图所示为每相两个压敏电阻并联,应挑选压敏电压值相近的并联,以延长使用寿命和确保安全)。


图片


3、陶瓷气体放电管的通流容量根据要求的通流容量选择,直流击穿电压为470V~600V。当要求的通流容量≤3KA 时,可以用玻璃放电管代替。


4、压敏电阻和气体放电管都必须按冲击10 次以上的降额值计算通流容量(压敏电阻为一次冲击通流容量的三分之一左右,气体放电管为最大通流容量的一半左右)。


电路三:通用的安全保护电路


图片

说明:

1、优点:采用“3+1”电路,三相全保护,安全,压敏电阻短路失效后能与电路脱离,一般不会引起火灾。


2、压敏电阻的压敏电压值参照下表选取(选压敏电压高一点的更安全、耐用,故障率低,但残压略高);根据通流容量要求选择外形尺寸和封装形式,或采用几个压敏电阻并联(如图所示为每相两个压敏电阻并联,应挑选压敏电压值相近的并联,每个压敏电阻都要单独串联温度保险管,以延长使用寿命和确保安全)。


图片


3、温度保险管一般采用130℃~135℃、10A/250V 的,应与压敏电阻有良好的热耦合。最好再串联一个工频保险丝以防工频过电压瞬间穿压敏电阻起火。


4、陶瓷气体放电管的通流容量根据要求的通流容量选择,直流击穿电压为470V~600V。当要求的通流容量≤3KA 时,可以用玻璃放电管代替。


5、压敏电阻和气体放电管都必须按冲击10 次以上的降额值计算通流容量(压敏电阻为一次冲击通流容量的三分之一左右,气体放电管为最大通流容量的一半左右)。


(三)单相串联式防雷器

单相通用安全保护电路:


图片

说明:

1、优点:采用两级复合对称电路,共模、差模全保护,残压低,L、N 可以随便接,安全,压敏电阻短路失效后能与电路脱离,一般不会引起火灾。


2、压敏电阻的压敏电压值参照下表选取(选压敏电压高一点的更安全、耐用,故障率低,但残压略高);根据通流容量要求选择外形尺寸和封装形式,或采用几个压敏电阻并联(如图所示第一级为m 个压敏电阻并联,第二级为n 个并联,应挑选压敏电压相近的并联,每个压敏电阻都要单独串联温度保险管,以延长使用寿命和确保安全)。


图片


3、温度保险管一般采用130℃~135℃、10A/250V 的,应与压敏电阻有良好的热耦合。最好再串联一个工频保险丝以防工频过电压瞬间击穿压敏电阻起火。


4、陶瓷气体放电管的通流容量根据要求的通流容量选择,直流击穿电压为470V~600V。当要求的通流容量≤3KA 时,可以用玻璃放电管代替。


5、压敏电阻和放电管都必须按冲击10 次以上的降额值计算通流容量(压敏电阻为一次冲击通流容量的三分之一左右,放电管为最大通流容量的一半左右)。


6、串联电感为空心电感,电感量应≥20μH,导线直径应按负载电流计算。


(四)三相串联式防雷器

三相通用安全保护电路:


图片

说明:

1、优点:采用两级“3+1”电路,三相全保护,残压低,安全,压敏电阻短路失效后能与电路脱离,一般不会引起火灾。


2、压敏电阻的压敏电压值参照下表选取(选压敏电压高一点的更安全、耐用,故障率低,但残压略高);根据通流容量要求选择外形尺寸和封装形式,或采用几个压敏电阻并联(如图所示第一级为m 个压敏电阻并联,第二级为n 个并联,应挑选压敏电压相近的并联,每个压敏电阻都要单独串联温度保险管,以延长使用寿命和确保安全)。


图片


3、温度保险管一般采用130℃~135℃、10A/250V 的,应与压敏电阻有良好的热耦合。最好再串联一个工频保险丝以防工频过电压瞬间击穿压敏电阻起火。


4、陶瓷气体放电管的通流容量根据要求的通流容量选择,直流击穿电压为470V~600V。当要求的通流容量≤3KA 时,可以用玻璃放电管代替。


5、压敏电阻和放电管都必须按冲击10 次以上的降额值计算通流容量(压敏电阻为一次冲击通流容量的三分之一左右,放电管为最大通流容量的一半左右)。


6、串联电感为空心电感,电感量应≥20μH,导线直径应按负载电流计算。



图片

二、通信机房用直流电源防雷器


图片

(一)并联式直流电源防雷器

1、正极接地(-48V)直流电源


图片

说明:

1、压敏电阻在图上所标型号中选取(选压敏电压高一点的更安全、耐用,故障率低,但残压略高);根据通流容量要求选择外形尺寸和封装形式,或采用几个压敏电阻并联(应挑选压敏电压相近的并联,每个压敏电阻都要单独串联温度保险管,以延长使用寿命和确保安全)。


2、温度保险管一般采用130℃~135℃、10A/250V 的,应与压敏电阻有良好的热耦合。最好再串联一个电流保险丝以防操作过电压瞬间击穿压敏电阻起火。


3、陶瓷气体放电管的通流容量根据要求的通流容量选择,直流击穿电压一般为90V。当要求的通流容量≤3KA 时,可以用玻璃放电管代替。


4、压敏电阻和气体放电管都必须按冲击10 次以上的降额值计算通流容量(压敏电阻为一次冲击通流容量的三分之一左右,气体放电管为最大通流容量的一半左右)。


2、负极接地(+24V)直流电源


图片

说明:

1、压敏电阻在图上所标型号中选取(选压敏电压高一点的更安全、耐用,故障率低,但残压略高);根据通流容量要求选择外形尺寸和封装形式,或采用几个压敏电阻并联(应挑选压敏电压相近的并联,每个压敏电阻都要单独串联温度保险管,以延长使用寿命和确保安全)。


2、温度保险管一般采用130℃~135℃、10A/250V 的,应与压敏电阻有良好的热耦合。最好再串联一个电流保险丝以防操作过电压瞬间击穿压敏电阻起火。


3、陶瓷气体放电管的通流容量根据要求的通流容量选择,直流击穿电压一般为90V。当要求的通流容量≤3KA 时,可以用玻璃放电管代替。


4、压敏电阻和气体放电管都必须按冲击10 次以上的降额值计算通流容量(压敏电阻为一次冲击通流容量的三分之一左右,气体放电管为最大通流容量的一半左右)。


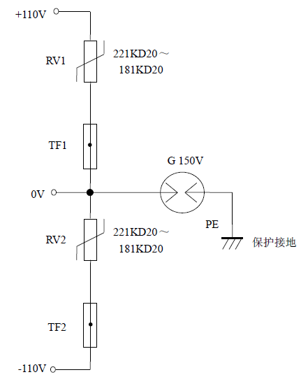
3、正负对称直流电源


图片

说明:

1、压敏电阻在图上所标型号中选取(选压敏电压高一点的更安全、耐用,故障率低,但残压略高),根据通流容量要求选择外形尺寸和封装形式,或采用几个压敏电阻并联(应挑选压敏电压相近的并联,每个压敏电阻都要单独串联温度保险管,以延长使用寿命和确保安全)。


2、温度保险管一般采用130℃~135℃、10A/250V 的,应与压敏电阻有良好的热耦合。最好再串联一个电流保险丝以防操作过电压瞬间击穿压敏电阻起火。


3、陶瓷气体放电管的通流容量根据要求的通流容量选择,直流击穿电压一般为150V。当要求的通流容量≤3KA 时,可以用玻璃放电管代替。


4、压敏电阻和气体放电管都必须按冲击10 次以上的降额值计算通流容量(压敏电阻为一次冲击通流容量的三分之一左右,气体放电管为最大通流容量的一半左右)


(二)串联式直流电源防雷器

1、正极接地(-48V)直流电源


图片

说明:

1、压敏电阻在图上所标型号中选取(压敏电压高的更安全、耐用,故障率低,但残压略高),根据通流容量要求选择外形尺寸和封装形式,要求通流容量Im 大时,第一、二级可以如图所示分别用m个、n个压敏电阻并联(应挑选压敏电压相近的并联,每个压敏电阻都要单独串联温度保险管,以延长使用寿命和确保安全),按第一级Im1≥Im,第二级Im2≥(0.2~0.3)Im 估算。


2、温度保险管一般采用130℃~135℃、10A/250V 的,应与压敏电阻有良好的热耦合。最好再串联一个电流保险丝以防操作过电压瞬间击穿压敏电阻起火。


3、第一个陶瓷气体放电管G1 的通流容量根据要求的通流容量Im 选择,第二个放电管G2 可以参照第二级Im2 选择。


4、压敏电阻和放电管都必须按冲击10 次以上的降额值计算通流容量(压敏电阻为一次冲击通流容量的三分之一左右,放电管为最大通流容量的一半左右)。


5、串联电感为空心电感,电感量应≥20μH,导线直径应按负载电流计算。


2、负极接地(+24V)直流电源


图片

说明:

1、压敏电阻在图上所标型号中选取(压敏电压高的更安全、耐用,故障率低,但残压略高),根据通流容量要求选择外形尺寸和封装形式,要求通流容量Im 大时,第一、二级可以如图所示分别用m个、n个压敏电阻并联(应挑选压敏电压相近的并联,每个压敏电阻都要单独串联温度保险管,以延长使用寿命和确保安全),按第一级Im1≥Im,第二级Im2≥(0.2~0.3)Im 估算。


2、温度保险管一般采用130℃~135℃、10A/250V 的,应与压敏电阻有良好的热耦合。最好再串联一个电流保险丝以防操作过电压瞬间击穿压敏电阻起火。


3、第一个陶瓷气体放电管G1 的通流容量根据要求的通流容量Im 选择,第二个放电管G2 可以参照第二级Im2 选择。


4、压敏电阻和放电管都必须按冲击10 次以上的降额值计算通流容量(压敏电阻为一次冲击通流容量的三分之一左右,放电管为最大通流容量的一半左右)。


5、串联电感为空心电感,电感量应≥20μH,导线直径应按负载电流计算。



图片

三、通用两级信号防雷器


图片

(一)双绞线型

通用电路一:


图片

说明:

①R1、R2 可以用普通金属氧化膜电阻(2W-4.3~5.1Ω),也可以用冷态电阻相当的正温度系数热敏电阻(如:自恢复保险丝:LP60-010/030,LB180(U))。


②陶瓷气体放电管和 TVS 管的直流击穿电压根据信号电压幅度选择,见下表:


图片


通用电路二:

图片

说明:

①R1、R2 可以用普通金属氧化膜电阻(2W-4.3~5.1Ω),也可以用冷态电阻相当的正温度系数热敏电阻(如:自恢复保险丝:LP60-010/030,LB180(U))。


②玻璃放电管和 TVS 管的直流击穿电压根据信号电压幅度选择,见下表:


图片

③本电路只适用于冲击电流不大于玻璃放电管最大脉冲放电电流的场合,且电路中没有连续直流电压。


通用电路三:

图片

说明:

①R1、R2 可以用普通金属氧化膜电阻(2W-4.3~5.6Ω),也可以用冷态电阻相当的正温度系数热敏电阻(如:自恢复保险丝:LP60-010/030,LB180(U))。


②陶瓷气体放电管和半导体过压保护器的直流击穿电压根据信号电压幅度选择,见下表:


图片


③本电路只适用于电路中没有连续直流电压的场合。

通用电路四:


图片

说明:

①R1、R2 可以用普通金属氧化膜电阻(2W-4.3~5.6Ω),也可以用冷态电阻相当的正温度系数热敏电阻(如:自恢复保险丝:LP60-010/030,LB180(U))。


②陶瓷气体放电管和半导体过电压保护器的直流击穿电压根据信号电压幅度选择,见下表:


图片


③使用电压低的半导体过电压保护器时,必须如图所示在接地端串联玻璃放电管;当使用电压高于100V 的半导体过电压保护器时可以不串联玻璃放电管。


④本电路只适用于电路中没有连续直流电压的场合。

通用电路五:


图片

说明:

①R1、R2 可以用普通金属氧化膜电阻(2W-4.3~5.1Ω),也可以用冷态电阻相当的正温度系数热敏电阻(如:自恢复保险丝:LP60-010/030,LB180(U))。


②陶瓷气体放电管和 TVS 管的直流击穿电压根据信号电压幅度选择,见下表:


图片


③本电路适用于传输高频/高速信号(最高频率可达20MHZ)。

(二)同轴线型

(1)外导体接地电路:

通用电路一:


图片

说明:

①R1、R2 可以用普通金属氧化膜电阻(2W-4.3~5.1Ω),也可以用冷态电阻相当的正温度系数热敏电阻(如:自恢复保险丝:LP60-010/030,LB180(U))。


②陶瓷气体放电管和 TVS 管的直流击穿电压根据信号电压幅度选择,见下表:


图片


③电路带宽很宽,可以传输 20MHZ 以下的高频信号。

④输入、输出接头应分别与原系统的接头类型相配。


通用电路二:


图片

说明:

①R1、R2 可以用普通金属氧化膜电阻(2W-4.3~5.6Ω),也可以用冷态电阻相当的正温度系数热敏电阻(自恢复保险丝:LP60-010/030,LB180(U))。


②陶瓷气体放电管和半导体过压保护器的直流击穿电压根据信号电压幅度选择,见下表:


图片


③本电路只适用于电路中没有连续直流电压的场合。

④输入、输出接头应分别与原系统的接头类型相配。

通用电路三:


图片

说明:

①本电路只适用于信号频率/速率较低,且电路中没有连续直流电压的场合。


②R 可以用普通金属氧化膜电阻(2W-4.3~5.6Ω),也可以用冷态电阻相当的正温度系数热敏电阻(自恢复保险丝:LP60-010/030,LB180(U))。


③玻璃放电管和半导体过电压保护器的直流击穿电压根据信号电压幅度选择,见下表:


图片


④输入、输出接头应分别与原系统的接头类型相配。

(2)外导体不接地电路:

通用电路一:

文章来源于: 电路大讲堂 原文链接

本站所有转载文章系出于传递更多信息之目的,且明确注明来源,不希望被转载的媒体或个人可与我们联系,我们将立即进行删除处理。