

特性
- RF输出频率范围: 54 MHz至4400 MHz
- 小数N分频频率合成器和整数N分频频率合成器
- 高分辨率38位模数
- 低相位噪声电压控制振荡器(VCO)
- 可编程1/2/4/8/16/32/64分频输出
- 模拟和数字电源: 3.3 V
- 电荷泵和VCO电源: 5 V(典型值)
- 逻辑兼容性: 1.8 V
- 可编程双模预分频器:4/5或8/9
- 可编程的输出功率
- RF输出静音功能
- 三线式串行接口
- 模拟和数字锁定检测
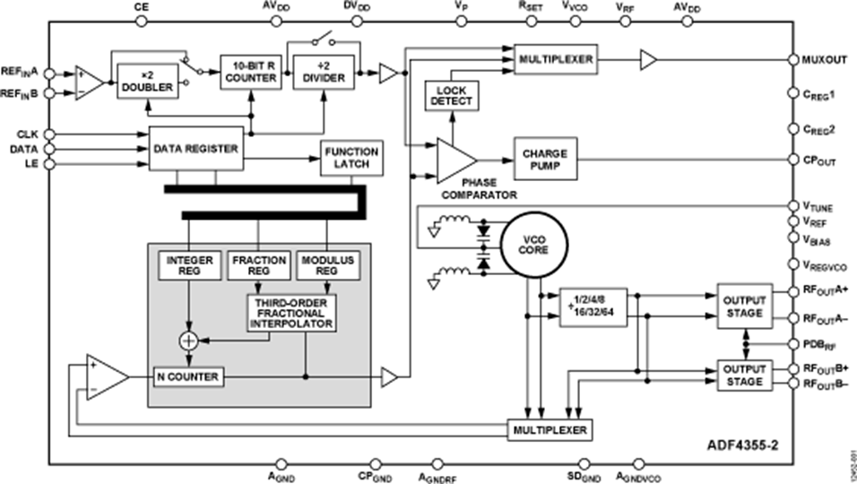
ADF4355-2结合外部环路滤波器和外部参考频率使用时,可实现小数N分频或整数N分频锁相环(PLL)频率合成器。 一系列分频器可实现54 MHz至4400 MHz的工作频率。
ADF4355-2具有集成VCO,其基波输出频率范围为3400 MHz至6800 MHz。 此外,VCO频率可进行1、2、4、8、16、32或64分频,因此用户可以产生低至54 MHz的RF输出频率。 对于要求隔离的应用,RF输出级可以实现静音。 静音功能既可以通过引脚控制,也可以通过软件控制。
所有片内寄存器均通过简单的三线式接口进行控制。 ADF4355-2采用3.15 V至3.45 V的模拟和数字电源工作,并带有4.75 V至5.25 V的电荷泵和VCO电源。此外,ADF4355-2还内置硬件和软件省电模式。
应用
- 无线基础设施(W-CDMA、TD-SCDMA、WiMAX、GSM、PCS、DCS、DECT)
- 点到点/点到多点微波链路
- 测试设备
- 无线局域网(LAN)、有线电视设备
- 时钟产生
数据手册 1
用户手册 1
应用笔记 1
技术文章 2
产品选型指南 1
参考电路 1
器件驱动器 1
ADI 始终高度重视提供符合最高质量和可靠性水平的产品。我们通过将质量和可靠性检查纳入产品和工艺设计的各个范围以及制造过程来实现这一目标。出货产品的“零缺陷”始终是我们的目标。查看我们的 质量和可靠性计划和认证 以了解更多信息。
产品型号 | 引脚/封装图-中文版 | 文档 | CAD 符号,脚注和 3D模型 |
---|---|---|---|
ADF4355-2BCPZ |
32-Lead LFCSP (5mm x 5mm x 0.75mm w/ EP)
![]() |
|
|
ADF4355-2BCPZ-RL7 |
32-Lead LFCSP (5mm x 5mm x 0.75mm w/ EP)
![]() |
|
根据型号筛选
重置过滤器
产品型号
产品生命周期
PCN
1月 26, 2015
- 15_0018
ADF5355 and ADF4355-2 Datasheet Update
ADF4355-2BCPZ
量产
ADF4355-2BCPZ-RL7
量产
根据型号筛选
重置过滤器
产品型号
产品生命周期
PCN
1月 26, 2015
- 15_0018
ADF5355 and ADF4355-2 Datasheet Update
器件驱动器
正在寻找评估软件?您可以在这里找到
部分模型 | 产品周期 | 描述 | ||
---|---|---|---|---|
高速比较器(传播延迟<100ns) 1 |
||||
|
低相位噪声、双输出缓冲器 / 驱动器 / 逻辑转换器 |
|||
整数N分频PLL 1 |
||||
推荐新设计使用 |
鉴相器/PLL频率合成器 |
评估套件 2

EVAL-ADF4355-2
ADF4355-2 评估板

AD-FMCADC7-EBZ
ADL5567和AD9625模拟信号链评估和集成VCO的ADF4355-2宽带频率合成器