今天拆解的是丰田RAV4的车机,型号比较老了,某鱼上基本100元左右能买到。以前有一些网友会拿它改音响用,它可以外接U盘播放MP3或者视频文件,因为内置了功率放大器它可以直接驱动音箱,配合音频输入可以当一个小功放使用。它还有视频AV输入,可以接DVD视频输出,当小电视用,也可以接模块摄像头做监视器用。
这款车机面板比较简单,左右各一个旋钮各3个按键,USB接口需要使用连接线通过后边的接口连接。

背面接口比较多,在网上找了一些资料,按下边接线后可以用它来显示模拟监控的视频画面。

这个车机的型号是86140-0R190,目前网上还没有它的拆解图片。

拆开后里边共5块PCB,为了拍出干净的照片,先用自来水清洗一遍。

5块PCB包括一个主控板、一个类似协处理器的接口板、一个配合LCD显示和触摸的功能板和2块按键旋钮小板。
主控板上边集成了电源、功放等主要电路。


主控为瑞萨的R8A77405,2颗三星的K4B2G1646Q 2G DDR3内存,松下的RP-SVBC04像是FLASH芯片,AKM的AK7756VF音频编解码器,2颗JRC4580放大器,ADI的ADV7180 10位、4倍过采样标清电视视频解码器和一些找不到型号的芯片。

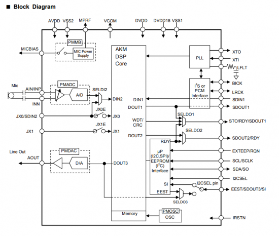
AK7756VF框图。

丝印R5F35应该是瑞萨的16位微控制器。

主板上使用了立隆的电解电容。

功放管应该是三洋的LV47022,最大48W功率。


放大器使用铸造的铝散热片,看起来非常漂亮。


主控背面一颗MXIC的MX29LV640 FLASH芯片,一颗TI的PCM1681 具有 TDM 模式的 105dB SNR 8 通道音频 DAC,2颗JRC的NJM2740放大器和一些查不到型号的芯片。

协处理器接口板包括一颗富士的查不到型号的大芯片,可能是个微控制器作协处理器使用,或者是一个视频解码芯片。旁边有一颗NXP的TEF7000HN汽车用低中频收音前端。




显示屏后边一块与连接屏幕的转接板,上边有一个阿尔卑斯的UGXZE蓝牙模块,一颗Allegro公司的A8601应用于LCD显示屏的多路输出稳压器、一颗A8502 LED驱动器和一颗罗姆的BU21024四线电阻触摸屏控制器。


金属隔板上有一颗蓝牙天线,点击查看大图更漂亮。

2块按键旋钮小板,左右各一块。2个编码器一个阻尼式的一个拨段式的,小板上没有芯片。


3块板子如下排列。

显示屏是友达光电的,型号C070VTN01.0。

显示屏又厚又重,质量很好。

功放侧外壳上有一颗用来散热的小风扇。

这款车机整体上用料扎实,做工很好。比较遗憾的是日本的产品一搬都比较喜欢使用日本的芯片,类似富士这样的芯片有时很难找到数据手册,没法确定它的功能。
喜欢我们的文章吗?欢迎微信关注我们的订阅号:汽车开发圈(ID:AutoDevelopers),浏览更多汽车电子相关内容。
