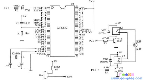
AT89S52是一种低功耗、高性能CMOS8位微控制器,具有8K系统可编程Flash存储器。使用Atmel公司高密度非易失性存储器技术制造,与工业80C51产品指令和引脚完全兼容。片上Flash允许程序存储器在系统可编程,亦适于常规编程器。在单芯片上,拥有灵巧的8位CPU和在系统可编程Flash,使得AT89S52在洗衣机得到广泛应用。参考电路如下图所示:

AT89S52是一种低功耗、高性能CMOS8位微控制器,具有8K系统可编程Flash存储器。使用Atmel公司高密度非易失性存储器技术制造,与工业80C51产品指令和引脚完全兼容。片上Flash允许程序存储器在系统可编程,亦适于常规编程器。在单芯片上,拥有灵巧的8位CPU和在系统可编程Flash,使得AT89S52在洗衣机得到广泛应用。参考电路如下图所示:

本站所有转载文章系出于传递更多信息之目的,且明确注明来源,不希望被转载的媒体或个人可与我们联系,我们将立即进行删除处理。