ADG721数据手册和产品信息

发布时间: 2024-11-11 09:21:21
来源: analog.com
ADG721 Functional Block Diagram
ADG721/ADG722/ADG723 Pin Configuration
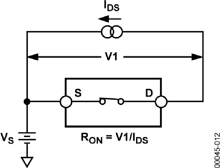
ADG721/ADG722/ADG723 Typical Application Diagram
ADG721/ADG722/ADG723 Typical Application Diagram
ADG721/ADG722/ADG723 Typical Application Diagram
ADG721/ADG722/ADG723 Typical Application Diagram
ADG721/ADG722/ADG723 Typical Application Diagram
.
特性
  • 单电源:1.8 V至5.5 V
  • 低导通电阻平坦度
  • −3 dB带宽:
  • 大于200 MHz
  • 小型封装
    8引脚MSOP
    3 mm × 2 mm LFCSP (A 级)
  • 最大导通电阻:4 Ω
  • 快速开关时间
    接通时间T ON : 20 ns
    断开时间T OFF :10 ns
  • 低功耗:小于0.1 μW
  • TTL/CMOS兼容型

.
ADG721、ADG722和ADG723均为单芯片CMOS单刀单掷(SPST)开关,采用先进的亚微米工艺设计,具有低功耗、高开关速度、低导通电阻和低泄漏电流特性。这些器件提供3 mm × 2 mm、小型LFCSP和MSOP两种封装,非常适合空间受限的应用。

ADG721、ADG722和ADG723设计采用1.8 V至5.5 V单电源供电,非常适合用在电池供电仪表中,以及配合Analog Devices, Inc.(简称ADI)的新一代DAC和ADC使用。

ADG721、ADG722和ADG723均内置两个独立的单刀单掷(SPST)开关。ADG721与ADG722的区别仅在于:前者的两个开关为常开式,后者的两个开关为常闭式。ADG723的开关1为常开式,开关2为常闭式。

接通时,ADG721、ADG722和ADG723的各开关在两个方向的导电性能相同。ADG723为先开后合式开关。

产品聚焦

  1. 1.8 V至5.5 V单电源供电。
  2. 极低导通电阻R ON (5 V时最大值为4 Ω,3 V时最大值为10 Ω)。
  3. 低导通电阻平坦度。
  4. −3 dB带宽大于200 MHz。
  5. 低功耗,CMOS结构可确保功耗较低。
  6. 8引脚MSOP和3 mm × 2 mm、LFCSP封装。

应用

  • USB 1.1信号开关电路
  • 蜂窝电话
  • PDAs
  • 电池供电系统
  • 通信系统
  • 采样保持系统
  • 音频信号路由
  • 视频开关
  • 机械式舌簧继电器的替代产品
  • 数据手册 Rev. B, 2/07

    . . .

    ADI 始终高度重视提供符合最高质量和可靠性水平的产品。我们通过将质量和可靠性检查纳入产品和工艺设计的各个范围以及制造过程来实现这一目标。出货产品的“零缺陷”始终是我们的目标。查看我们的 质量和可靠性计划和认证 以了解更多信息。

    产品型号 引脚/封装图-中文版 文档 CAD 符号,脚注和 3D模型
    ADG721ACPZ-REEL7 8-Lead LFCSP (2mm x 3mm x 0.85mm) external-link
    • HTML
    • Material Declaration external-link
    • HTML
    • Reliablity Data external-link
    ADG721BRMZ 8-Lead MSOP external-link
    • HTML
    • Material Declaration external-link
    • HTML
    • Reliablity Data external-link
    ADG721BRMZ-REEL 8-Lead MSOP external-link
    • HTML
    • Material Declaration external-link
    • HTML
    • Reliablity Data external-link
    ADG721BRMZ-REEL7 8-Lead MSOP external-link
    • HTML
    • Material Declaration external-link
    • HTML
    • Reliablity Data external-link
    .

    根据型号筛选

    reset

    重置过滤器

    产品型号

    产品生命周期

    PCN

    8月 8, 2022

    - 22_0192

    Qualification of an Alternate Adhesive Material and Molding Compound for Select LFCSP Packages

    8月 1, 2016

    - 16_0035

    Assembly Relocation of Select LFCSP, Mini-LFCSP and LFCSP Side Solderable Products to STATS ChipPAC China Jiangyin

    10月 6, 2011

    - 11_0024

    ADG721/2/3 Branding Code and Pin Function Datasheet Correction.

    ADG721ACPZ-REEL7

    量产

    ADG721BRMZ

    量产

    ADG721BRMZ-REEL

    量产

    ADG721BRMZ-REEL7

    量产

    1月 26, 2016

    - 15_0176

    Assembly Transfer of Select 8/10L MSOP Products to Amkor Philippines

    1月 5, 2015

    - 14_0246

    Qualification of ASE Chungli, as an Alternate Assembly Site for Select MSOP Devices

    5月 15, 2012

    - 10_0006

    Halogen Free Material Change for mini SOIC Products

    根据型号筛选

    reset

    重置过滤器

    产品型号

    产品生命周期

    PCN

    8月 8, 2022

    - 22_0192

    arrow down

    Qualification of an Alternate Adhesive Material and Molding Compound for Select LFCSP Packages

    8月 1, 2016

    - 16_0035

    arrow down

    Assembly Relocation of Select LFCSP, Mini-LFCSP and LFCSP Side Solderable Products to STATS ChipPAC China Jiangyin

    10月 6, 2011

    - 11_0024

    arrow down

    ADG721/2/3 Branding Code and Pin Function Datasheet Correction.

    ADG721ACPZ-REEL7

    量产

    ADG721BRMZ

    量产

    ADG721BRMZ-REEL

    量产

    ADG721BRMZ-REEL7

    量产

    1月 26, 2016

    - 15_0176

    arrow down

    Assembly Transfer of Select 8/10L MSOP Products to Amkor Philippines

    1月 5, 2015

    - 14_0246

    arrow down

    Qualification of ASE Chungli, as an Alternate Assembly Site for Select MSOP Devices

    5月 15, 2012

    - 10_0006

    arrow down

    Halogen Free Material Change for mini SOIC Products

    ADG721BRMZ-REEL

    量产

    ADG721BRMZ-REEL7

    量产

    pdf

    PCN10_0006_Form

    external-icon

    本站所有转载文章系出于传递更多信息之目的,且明确注明来源,不希望被转载的媒体或个人可与我们联系,我们将立即进行删除处理。