LTC2953数据手册和产品信息

发布时间: 2024-11-11 09:19:51
来源: analog.com
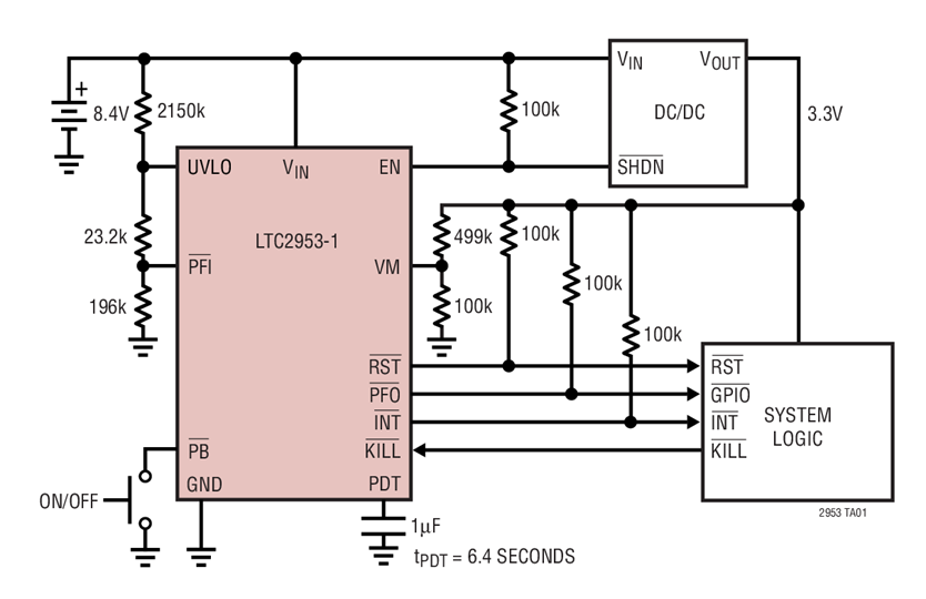
Push Button On/Off Control with Interrupt
Product Package 1
.
特性
  • 宽工作电压范围:2.7V 至 27V
  • 实现了系统电源的按钮控制
  • 低电源电流:14μA
  • 电源故障比较器可产生报警
  • UVLO 比较器能平滑地锁断电源
  • 具 200ms 复位时间的可调电源监视器
  • 可调断电定时器
  • 低泄漏 EN 输出 (LTC2953-1) 提供了 DC/DC 转换器控制
  • 高电压 EN 输出 (LTC2953-2) 提供了电路断路器控制
  • 简单的接口实现了系统的按序上电和断电
  • ±1.5% 门限容差
  • PB 输入上提供了 ±10kV ESD HBM
  • 12 引脚 3mm x 3mm DFN 封装
.

LTC ® 2953 是一款按钮接通/关断控制器,用于通过一个按钮界面来管理系统电源。一个使能输入负责系统电源的变换,而一个中断输出则用于提供防反跳按钮状态。该中断输出可在菜单驱动型应用中使用,以请求执行系统断电操作。

LTC2953 还具有输入和输出电源监视器。一个独立的电源故障比较器负责提供实时输入监视信息,而一个去干扰欠压闭锁比较器则能够平滑地启动系统断电操作。该欠压闭锁比较器可防止从一个低电压电源来给系统供电。

将可调电源监视器输入与一个准确的 0.5V 内部基准进行比较。复位输出将保持低电平,直到电源监视器输入符合规格要求的时间持续 200ms 为止。

LTC2953 可在 2.7V 至 27V 的宽输入电压范围内运作,且仅消耗 14μA 的电流。该器件的两种版本可适应正或负启用极性。


Applications

  • 按钮电源路径控制
  • 电池电源监控器
  • 便携式仪表、PDA
  • 刀片服务器
  • 台式电脑和笔记本电脑
. . .

ADI 始终高度重视提供符合最高质量和可靠性水平的产品。我们通过将质量和可靠性检查纳入产品和工艺设计的各个范围以及制造过程来实现这一目标。出货产品的“零缺陷”始终是我们的目标。查看我们的 质量和可靠性计划和认证 以了解更多信息。

产品型号 引脚/封装图-中文版 文档 CAD 符号,脚注和 3D模型
LTC2953CDD-1#PBF 12-Lead DFN (3mm x 3mm w/ EP) external-link
  • HTML
  • Material Declaration external-link
  • HTML
  • Reliablity Data external-link
LTC2953CDD-1#TRPBF 12-Lead DFN (3mm x 3mm w/ EP) external-link
  • HTML
  • Material Declaration external-link
  • HTML
  • Reliablity Data external-link
LTC2953CDD-2#PBF 12-Lead DFN (3mm x 3mm w/ EP) external-link
  • HTML
  • Material Declaration external-link
  • HTML
  • Reliablity Data external-link
LTC2953CDD-2#TRPBF 12-Lead DFN (3mm x 3mm w/ EP) external-link
  • HTML
  • Material Declaration external-link
  • HTML
  • Reliablity Data external-link
LTC2953IDD-1#PBF 12-Lead DFN (3mm x 3mm w/ EP) external-link
  • HTML
  • Material Declaration external-link
  • HTML
  • Reliablity Data external-link
LTC2953IDD-1#TRPBF 12-Lead DFN (3mm x 3mm w/ EP) external-link
  • HTML
  • Material Declaration external-link
  • HTML
  • Reliablity Data external-link
LTC2953IDD-2#PBF 12-Lead DFN (3mm x 3mm w/ EP) external-link
  • HTML
  • Material Declaration external-link
  • HTML
  • Reliablity Data external-link
LTC2953IDD-2#TRPBF 12-Lead DFN (3mm x 3mm w/ EP) external-link
  • HTML
  • Material Declaration external-link
  • HTML
  • Reliablity Data external-link
.
部分模型 产品周期 描述

TimerBlox 1

量产

TimerBlox:可重置的低频振荡器

.

评估套件 1

reference details image

DC1099A

LTC2953 Push-Button Controller with Dual Battery Monitor

.

工具及仿真模型 1

LTspice ® 是一款强大高效的免费仿真软件、原理图采集和波形观测器,为改善模拟电路的仿真提供增强功能和模型。

启动此部分的现成 LTspice 演示电路:

1 步: 下载并在计算机上安装 LTspice

2 步: 单击下面的链接,下载演示电路。

3 步: 如果在单击以下链接之后 LTspice 未自动打开,可通过右击该链接并选择“目标另存为”来运行该仿真。将文件保存到计算机之后,请启动 LTspice 并从“文件”菜单中选择“打开”来打开演示电路。

文章来源于: analog.com 原文链接

本站所有转载文章系出于传递更多信息之目的,且明确注明来源,不希望被转载的媒体或个人可与我们联系,我们将立即进行删除处理。